Back to the index.
Go to part 2 >>
Return loss bridge. (part 1)
A "return loss bridge" is a device to measure the difference in dB
between the forward power to a load, and the power reflected by the load.
The measured "return loss" tells us how well the load is matched to a reference
impedance (most times the reference is 50 Ω).
A High return loss, let's say 20 dB or more, means the match is quite good, and
very little power is reflected.
By some people the return loss is presented as a negative number, others
(including me) present the return loss as a positive number.
A typical application of the return loss bridge is the measurement of resonance
frequency and bandwidth of antenna's.
The return loss is related to the VSWR and Reflection coefficient.
I will not discuss VSWR and reflection coefficient here, but just give some
converted values in the following table
| Return loss (dB) |
Reflected power (%) |
VSWR | Reflection coefficient |
| infinite | 0 | 1 : 1 | 0 |
| 30 | 0.100 | 1.065 : 1 | 0.032 |
| 25 | 0.316 | 1.119 : 1 | 0.056 |
| 20 | 1.00 | 1.222 : 1 | 0.100 |
| 18 | 1.58 | 1.288 : 1 | 0.126 |
| 16 | 2.51 | 1.377 : 1 | 0.158 |
| 14 | 3.98 | 1.499 : 1 | 0.200 |
| 12 | 6.31 | 1.671 : 1 | 0.251 |
| 10 | 10.0 | 1.925 : 1 | 0.316 |
| 8 | 15.8 | 2.323 : 1 | 0.398 |
| 6 | 25.1 | 3.010 : 1 | 0.501 |
| 5 | 31.6 | 3.570 : 1 | 0.562 |
| 4 | 39.8 | 4.419 : 1 | 0.631 |
| 3 | 50.1 | 5.848 : 1 | 0.708 |
| 2 | 63.1 | 8.724 : 1 | 0.794 |
| 1 | 79.4 | 17.391 : 1 | 0.891 |
| 0 | 100 | infinite : 1 | 1 |
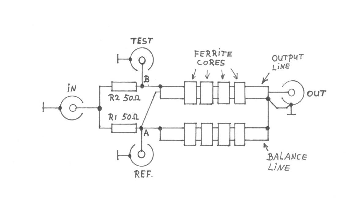
Circuit diagram of the return loss bridge.

Figure 1: circuit diagram of a return loss bridge.
Other circuits are possible, but this is the circuit I use.
The bridge has 4 ports (connectors).
- IN, input to be connected to a signal generator (for instance a tracking
generator of a spectrum analyser).
- REF, reference port, connect a high precision 50 Ω RF terminator resistor to this
port.
- TEST, connect here the device from which you want to measure the return loss.
- OUT, output to spectrum analyser, or other type of RF detector.
Note, the REF and TEST port are interchangeable in function.
Resistor R1 and REF form a voltage divider, giving a voltage at point A.
Resistor R2 and TEST form another voltage divider, giving a voltage at point B.
The output line, which is a piece of coax cable, measures the voltage between A and B, and delivers this to the
output port.
The output line has ferrite cores around, this turns the output line into a
wideband "current balun", converting the balanced signal between point A and B
into a unbalanced signal at the output port.
The output line passes "differential mode currents" without attenuation, these
are currents which are equal in amplitude in centre and screen of the coax, but
with opposite direction.
"Differential mode currents" produce no magnetic field outside the coax, the
magnetic field of the current in centre conductor and screen cancel out each
other, and therefore differential mode current is not influenced by the ferrite
cores around the coax cable.
"Common mode currents" in the coax however will meet a high impedance through
the addition of the ferrite cores, and therefore the amplitude of common mode
currents will stay (very) low.
"Common mode current" is any current in the screen of the coax, which not has
it's equal and opposite return current, in the centre conductor.
Through this all, the unbalanced 50 Ω load connected to the output, appears as a
50 Ω "floating" load between point A and B.
Although the common mode impedance of the output line is very high, let's say
several thousand Ohms, it is not infinite, and this impedance is in parallel
with (in this case) the TEST port.
A second piece of coax (the "balance line") with the same number of ferrite
cores is placed parallel to the REF port, to keep maximum balance between the
REF and TEST port.
The use of the balance line is especially important at lower frequencies where the
impedance of the ferrite cores reduces.
For the balance line, only the shielding of the coax is used, the centre
conductor is not connected.
You might as well use a solid wire, but then use the same diameter as the output
(coax) line, to keep the capacitance also in balance.
The use of the return loss bridge
A return loss bridge is often used together with a spectrum analyser with
tracking generator.
The tracking generator is then connected to the IN port, and the
spectrum analyser input connected to the OUT port.
At the begin of a measurement, first make a measurement with maximum unbalance
in the bridge, this is with the TEST port open (not connected), or with the TEST
port shorted.
The signal level you measure is the 0 dB reference trace for the return loss, this
trace should be flat on all frequencies.
Then connect the "device under test" to the TEST port, and measure again the
signal level.
The difference in dB with the 0 dB reference trace is then the "return loss".